|
輸送介質:
稀薄、清潔、不含固體顆?;蚶w維的非易燃易爆液體
泵可以輸送諸如礦泉水、軟化水、純水、清油和其他輕化工介質。
當輸送液體的密度或粘度大于水、如需要,必須配用大功率電機。
泵是否適用于某一特定液體由多種因素決定,其中最重要的是氯含量、PH值,溫度和溶劑、油的含量等。
泵
臥式多級非自吸離心泵,配加長軸電機。
緊湊式結構使泵尺寸很小,軸向入口和徑向出口。
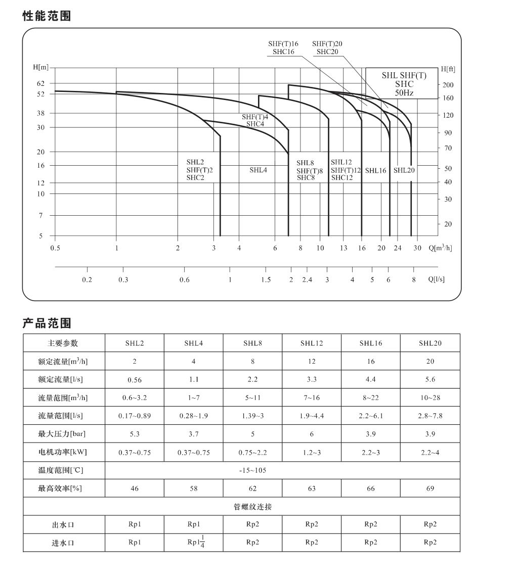
曲線條件
下述條件適用于后面所示性能曲線
所有曲線都基于電機在恒速2900rpm的測量
曲線容差符合IS09906
測試采用20℃不含空氣的水,運動粘度為1mm2/s
泵的使用參照加粗曲線的性能范圍,以防流量多小產生過熱和流量過大使電機過載等




[上一個:立式多級離心泵]
[下一個:MNZG系列直連式供水設備]

全國招商熱線:17766075139
郵箱:2851551287@qq.com
地址:南京市江北新區葛塘街道博富路27號

微信客服